






Die Gewindekupplungen haben einen geraden Kanal und eine interne Fadenverbindung. Sie eignen sich für Rohrleitungssysteme in vielen Branchen, die zum Erweitern von Rohren, den Verbindungsrohren oder zur Verbindung mit anderen Zubehör über den geraden Kanal der inneren Drahtverbindung verwendet werden, damit die Flüssigkeit reibungslos durch die Gelenke gelangen kann.
Sie können mit vielen Arten von Stahl hergestellt werden, wie Kohlenstoff, verzinkt, rostfrei oder schwarz. Da Edelstahl einen hervorragenden Korrosionsbeständigkeit und Hochtemperaturfestigkeit aufweist und für den Transport und die Kontrolle einer Vielzahl von Medien geeignet ist, gilt er als das beste Material und wird weit verbreitet.
Im Gegensatz zu anderen Rohranschlüssen ist es sehr flexibel und einstellbar. Edelstahl -Gewindekupplungen haben normalerweise Gewinde und werden verwendet, um sich mit dem Gewindeabschnitt des Rohrs oder der Rohre zu paaren, um Befestigung und Verbindung zu erreichen.
Edelstahl -Gewindekupplungen werden basierend auf spezifischen Anforderungen und Anwendungen dimensioniert. Zu den allgemeinen Spezifikationen gehören Materialsqualität, Gewindetyp, Gewindegröße, Rohrdurchmesser, Länge und Oberflächenbehandlung usw. Gemäß den Entwurf und den Anforderungen des Rohrleitungssystems wählen Sie die geeignete Größe, um einen engen und stabilen Verbindungseffekt zu erzielen.
Einführung
| Artikel | Edelstahl -Gewindekupplungen |
| Standard | ANSI B16.11, MSS SP 97, MSS SP 95, MSS SP 83, BS3799, ASTM A733 usw. |
| Material | SS201, SS304/CF8, SS316/CF8M usw. |
| Oberfläche | CNC bearbeitet, Anti-Rust-Öl, gebürstet |
| Typ | Gießen |
| Größe | DN6-100 |
| Lieferzeit | Innerhalb von 5-30 Tagen nach Erhalt des Prepaid |
| Verpackung | Paletten/Sperrholzfälle |
| Anwendung | Die petrochemische Industrie; Luftfahrt- und Luft- und Raumfahrtindustrie; Pharmaindustrie, Gasabgase; Kraftwerk; Schiffsgebäude; Wasserbehandlung usw. |
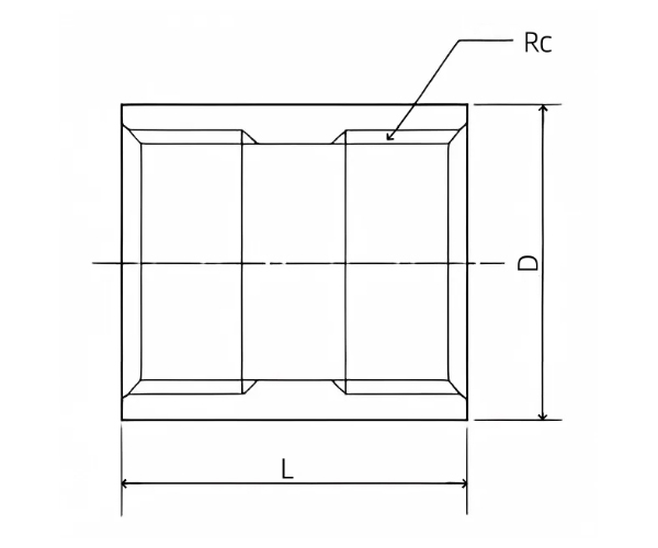
| Größe | Faden | Größe (mm) | ||
| A (mm) | B (in) | RC | D | L |
| 6 | 1/8 | RC 1/8 | 15 | 23 |
| 8 | 1/4 | RC 1/4 | 19 | 29 |
| 10 | 3/8 | RC 3/8 | 22 | 30 |
| 15 | 1/2 | RC 1/2 | 27 | 36.5 |
| 20 | 3/4 | RC 3/4 | 33 | 38.5 |
| 25 | 1 | RC 1 | 40 | 43.5 |
| 32 | 1 1/4 | RC 1 1/4 | 49 | 49.5 |
| 40 | 1 1/2 | RC 1 1/2 | 55.5 | 52.5 |
| 50 | 2 | RC 2 | 68 | 62.5 |
| 65 | 2 1/2 | RC 2 1/2 | 83 | 73 |
| 80 | 3 | RC 3 | 97 | 81 |
| 100 | 4 | RC 4 | 125 | 93 |
2007 gegründet und in die Longyou Economic Development Zone in der Provinz Zhejiang im Jahr 2022 gezogen. Es umfasst eine Fläche von 130.000 Quadratmetern, mehr als 30 Produktionslinien, 300 Arbeitern, 20 FuE -Menschen, 30 Inspektionsbevölkerung und eine jährliche Leistung von 50.000 Tonnen.
Es hat ISO9001: 2008 Quality Management System, PED 97/33/EC EU Druckausrüstung -Richtlinie, China Special Equipment Manufacturing Lizenz (Druckrohr) TS -Zertifizierung, ASME -Zertifizierung, Provincial Enterprise Standardization Management System, ISO14000: 2004 -Umweltmanagementsystem, Cleaner Production (Green Enterprise) und Abrating, ABS -Zertifikat, ABS -Zertifikat, ABS -Zertifikat, ABS -Zertifikat, ABS -Zertifikat, ABS -Zertifikat, ABS -Zertifikat, ABS -Zertifikat, ABS -Zertifikat, ABS -Zertifikat, ABS -Zertifikat, ABS -Zertifizierungsstellen, bestanden. (LR), Deutsche Veritas (GL), Bureau Veritas Society (BV), Det Norske Veritas (DNV) und koreanisches Register für Versand (KR) Fabrikzertifizierung.
Zu den Hauptprodukten gehören rostfreie Stahlrohre, Rohrverschlüsse, Flansche, Ventile usw., die in Erdöl, chemischen Industrie, Kernindustrie, Schmelzen, Schiffbau, Pharmazeutika, Lebensmittel, Wasserschutz, elektrischer Strom, neuer Energie, mechanischer Geräte und anderen Feldern häufig eingesetzt werden. Das Unternehmen hält sich an den Unternehmensgrund für "Qualität für das Überleben, den Ruf für die Entwicklung" und dient jedem Kunden von ganzem Herzen, eine Win-Win-Situation zu schaffen.





Massendichte von Baustahl: Grundlagen und praktische Bedeutung Die Massendichte von Weichstahl ist eine grundlegende Eigenschaft, die sich direkt darauf auswirkt, wie Ingenieure und Designer Kom...
Mehr anzeigenEinführung in niedriglegierte Stahlmaterialien Bei niedriglegiertem Stahl handelt es sich um eine Stahlsorte, die zusätzlich zu Kohlenstoff einen geringen Anteil an Legierungselementen enthält, ...
Mehr anzeigenÜbersicht – was „Gewicht pro Kubikzoll“ für Edelstahl bedeutet „Gewicht pro Kubikzoll“ ist einfach die Masse (in Pfund) eines Kubikzolls Material. Bei rostfreiem Stahl hängt dies von der Legieru...
Mehr anzeigenWir werden Ihre E -Mail -Adresse niemals und Sie teilen und Sie
Kann sich jederzeit abmelden, versprechen wir.