





Langer Schweißhalsflansch ist eine spezialisierte Komponente in Rohrleitungssystemen, die sich durch den ausgedehnten Hals oder die Nabe auszeichnet. Schweißnackenflansche haben eine lange, sich verjüngende Nabe, die seine Größe vom Rohr auf die Anpassung reduziert. Dieses Design minimiert die Spannungskonzentration und macht es ideal für Hochdruck- und Hochtemperaturanwendungen. Der ausgedehnte Hals verstärkt den Flansch, fördert eine gleichmäßige Spannungsverteilung und verringert das Ermüdungsrisiko. Darüber hinaus sind Rohrleitungssysteme sicherer, wenn sie mit langen Schweißhalsflanschen verstärkt werden. Diese Art von Flansch trägt dazu bei, Druck- und Temperaturänderungen in der Flüssigkeit auszugleichen, die in der Rohrleitung fließt.
Aufgrund ihrer verbesserten strukturellen Integrität werden lange Schweißhalsflansche in kritischen industriellen Umgebungen bevorzugt. Insbesondere erleichtert der verlängerte Nacken einfache Schweiß- und Inspektionsprozesse. Ausreichend Platz für das Schweißen sorgt für eine sichere Verbindung, während die verlängerte Länge die Inspektionen vereinfacht, indem sie bessere Sichtbarkeit und Zugang gewährt.
Lange Schweißhalsflansche sind in petrochemischen, Öl- und Gas- und Stromerzeugungsindustrien weit verbreitet und tragen zu robusten und zuverlässigen Rohrleitungssystemen bei. Ihr Design sorgt für Haltbarkeit und Sicherheit und macht sie zu einer bevorzugten Wahl für Anwendungen, bei denen die Leistung von größter Bedeutung ist.
Einführung
| Standard | ANSI B16.5, ANSI B16.47, ANSI B16.36, ANSI B16.48, BS 4504, EN1092, UNI 2277/2278, DIN, JIS, SABS1123, GOST-12820 usw. |
| Material | Edelstahl: A182 F304, A182F304L, A182 F316, A182 F316L, A182F321, A182 317H, A182316TI, F53, F51 usw. Kohlenstoffstahl: A105, A350LF2 Legierungsstahl: A182 F11, A182F22, A182F12, A182 F5, A182F91, A182 F9 usw. |
| Oberfläche | Behandlungsfristfarbe, Ölschwarzfarbe, gelbe transparent |
| Typ | Schmieden, CNC -Bearbeitung |
| Größe | 1/2 "-24" |
| Lieferzeit | Innerhalb von 5-30 Tagen nach Erhalt des Prepaid |
| Verpackung | Behandlungsfristfarbe, Ölschwarzfarbe, gelbe transparent |
| Anwendung | Chemikalie, Ölmühlen, Petrochemie, Bergbau, Raffinerien, Bau, Düngemittel, Schiffbau, Kraftwerke, Stahlanlagen, Kernkraft, Offshore, Öl und Gas, Verteidigung, Papier, Brauereien, Eisenbahn, Zement und Ingenieurwesen usw. |
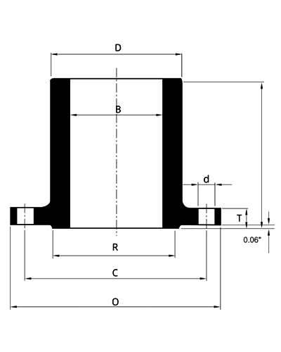
| NPS | Bohrung | Od | Thk | Od | NEIN. Von Löchern | Lochgröße | Bolzenkreis | Erhöhte Gesichtsdurchmesser. | LÄNGE | GEWICHT |
| (In) | B (In) | O (In) | Zinn) | Lärm) | (Löcher) | Lärm) | C (In) | R (In) | L (In) | (KILO)- |
| ½ | 0.50 | 3.50 | 0.44 | 1.25 | 4 | 0.62 | 2.38 | 1.38 | 9.00 | 1.36 |
| ¾ | 0.75 | 3.88 | 0.50 | 1.62 | 4 | 0.62 | 2.75 | 1.69 | 9.00 | 2.27 |
| 1 | 1.00 | 4.25 | 0.56 | 2.00 | 4 | 0.62 | 3.12 | 2.00 | 9.00 | 3.17 |
| 1 ¼ | 1.25 | 4.26 | 0.62 | 2.38 | 4 | 0.62 | 3.50 | 2.50 | 9.00 | 4.54 |
| 1 ½ | 1.50 | 5.00 | 0.69 | 2.62 | 4 | 0.62 | 3.88 | 2.88 | 9.00 | 5.44 |
| 2 | 2.00 | 6.00 | 0.75 | 3.25 | 4 | 0.75 | 4.75 | 3.63 | 9.00 | 6.81 |
| 2 ½ | 2.50 | 7.00 | 0.88 | 3.75 | 4 | 0.75 | 5.50 | 4.13 | 9.00 | 9.98 |
| 3 | 3.00 | 7.50 | 0.94 | 4.25 | 4 | 0.75 | 6.00 | 5.00 | 9.00 | 11.35 |
| 3 ½ | 3.50 | 8.50 | 0.94 | 4.88 | 8 | 0.75 | 7.00 | 5.50 | 9.00 | 14.52 |
| 4 | 4.00 | 9.00 | 0.94 | 5.50 | 8 | 0.75 | 7.50 | 6.19 | 12.00 | 21.33 |
| 5 | 5.00 | 10.00 | 0.94 | 6.50 | 8 | 0.88 | 8.50 | 7.31 | 12.00 | 25.87 |
| 6 | 6.00 | 11.00 | 1.00 | 7.75 | 8 | 0.88 | 9.50 | 8.50 | 12.00 | 34.05 |
| 8 | 8.00 | 13.50 | 1.12 | 9.75 | 8 | 0.88 | 11.75 | 1063 | 12.00 | 46.30 |
| 10 | 10.00 | 16.00 | 1.19 | 12.00 | 12 | 1.00 | 14.25 | 12.75 | 12.00 | 64.92 |
| 12 | 12.00 | 19.00 | 1.25 | 14.38 | 12 | 1.00 | 17.00 | 15.00 | 12.00 | 93.07 |
| 14 | 14.00 | 31.00 | 1.38 | 16.00 | 12 | 1.12 | 18.75 | 16.25 | 12.00 | 95.79 |
| 16 | 16.00 | 23.50 | 1.44 | 18.00 | 16 | 1.12 | 21.25 | 18.50 | 12.00 | 111.68 |
| 18 | 18.00 | 25.00 | 1.56 | 20.00 | 16 | 1.25 | 22.75 | 21.00 | 12.00 | 122.58 |
| 20 | 20.00 | 25.50 | 1.69 | 22.00 | 20 | 1.25 | 25.00 | 23.00 | 12.00 | 141.19 |
| 24 | 24.00 | 32.00 | 1.88 | 26.25 | 20 | 1.38 | 29.50 | 27.25 | 112.00 | 192.04 |
Klasse 300
| NPS | Bohrung | Od | Thk | Od | NEIN. Von Löchern | Lochgröße | Bolzenkreis | Erhöhte Gesichtsdurchmesser. | LÄNGE | GEWICHT |
| (In) | B (in) | O (in) | Zinn) | Lärm) | (Löcher) | Lärm) | C (in) | R (in) | L (in) | (KILO)- |
| ½ | 0.50 | 3.75 | 0.56 | 1.50 | 4 | 0.62 | 26.2 | 1.38 | 9.00 | 2.27 |
| ¾ | 0.75 | 4.62 | 0.62 | 1.88 | 4 | 0.75 | 3.25 | 1.69 | 9.00 | 4.08 |
| 1 | 1.00 | 4.88 | 0.69 | 2.12 | 4 | 0.75 | 3.50 | 2.00 | 9.00 | 4.08 |
| 1 ¼ | 1.25 | 5.25 | 0.75 | 2.50 | 4 | 0.75 | 3.88 | 2.50 | 9.00 | 5.90 |
| 1 ½ | 1.50 | 6.12 | 0.81 | 2.75 | 4 | 0.88 | 4.50 | 2.88 | 9.00 | 6.81 |
| 2 | 2.00 | 6.50 | 0.88 | 3.31 | 8 | 0.75 | 5.00 | 3.63 | 9.00 | 9.08 |
| 2 ½ | 2.50 | 7.50 | 1.00 | 3.94 | 8 | 0.88 | 5.88 | 4.13 | 9.00 | 11.35 |
| 3 | 3.00 | 8.25 | 1.12 | 4.62 | 8 | 0.88 | 6.62 | 5.00 | 9.00 | 15.89 |
| 3 ½ | 3.50 | 9.00 | 1.19 | 5.25 | 8 | 0.88 | 7.25 | 5.50 | 9.00 | 19.06 |
| 4 | 4.00 | 10.00 | 1.25 | 5.75 | 8 | 0.88 | 7.88 | 6.19 | 12.00 | 28.14 |
| 5 | 5.00 | 11.00 | 1.38 | 7.00 | 8 | 0.88 | 9.25 | 7.31 | 12.00 | 38.14 |
| 6 | 6.00 | 12.50 | 1.44 | 8.12 | 12 | 0.88 | 10.62 | 8.50 | 12.00 | 47367 |
| 8 | 8.00 | 15.00 | 1.62 | 10.25 | 12 | 1.00 | 13.00 | 10.63 | 12.00 | 67.19 |
| 10 | 10.00 | 17.50 | 1.88 | 12.62 | 16 | 1.12 | 15.25 | 12.57 | 12.00 | 95.34 |
| 12 | 12.00 | 20.50 | 2.00 | 14.75 | 16 | 1.25 | 17.75 | 15.00 | 12.00 | 124.85 |
| 14 | 14.00 | 23.00 | 2.12 | 16.75 | 20 | 1.25 | 20.25 | 16.25 | 12.00 | 147.09 |
| 16 | 16.00 | 25.50 | 2.25 | 19.00 | 20 | 1.38 | 22.50 | 18.50 | 12.00 | 173.41 |
| 18 | 18.00 | 28.00 | 2.38 | 21.00 | 24 | 1.38 | 24.75 | 21.00 | 12.00 | 211.11 |
| 20 | 20.00 | 30.50 | 2.50 | 23.12 | 24 | 1.38 | 27.00 | 23.00 | 12.00 | 249.16 |
| 24 | 24.00 | 36.00 | 2.75 | 27.62 | 24 | 1.62 | 32.00 | 27.25 | 12.00 | 353.21 |
Klasse 400
| NPS | Bohrung | Od | Thk | Od | NEIN. Von Löchern | Lochgröße | Bolzenkreis | Erhöhte Gesichtsdurchmesser. | LÄNGE | GEWICHT |
| (in) | B (in) | O (in) | Zinn) | Lärm) | (Löcher) | Lärm) | C (in) | R (in) | L (in) | (KILO)- |
| ½ | 0.50 | 3.75 | 0.56 | 1.50 | 4 | 0.62 | 26.20 | 1.38 | 9.00 | 2.27 |
| ¾ | 0.75 | 4.62 | 0.62 | 1.88 | 4 | 0.75 | 3.25 | 1.69 | 9.00 | 3.63 |
| 1 | 1.00 | 4.88 | 0.69 | 2.12 | 4 | 0.75 | 3.50 | 2.00 | 9.00 | 4.08 |
| 1 ¼ | 1.25 | 5.25 | 0.81 | 2.50 | 4 | 0.75 | 3.88 | 2.50 | 9.00 | 5.09 |
| 1 ½ | 1.50 | 6.12 | 0.88 | 2.75 | 4 | 0.88 | 4.50 | 2.88 | 9.00 | 7.266.50 |
| 2 | 2.00 | 6.50 | 1.00 | 3.31 | 8 | 0.75 | 5.00 | 3.63 | 9.00 | 9.08 |
| 2 ½ | 2.50 | 7.50 | 1.12 | 3.94 | 8 | 0.88 | 5.88 | 4.13 | 9.00 | 12.25 |
| 3 | 3.00 | 8.25 | 1.25 | 4.62 | 8 | 0.88 | 6.62 | 5.00 | 9.00 | 16.34 |
| 3 ½ | 3.50 | 9.00 | 1.38 | 5.25 | 8 | 1.00 | 7.25 | 5.50 | 9.00 | 20.04 |
| 4 | 4.00 | 10.00 | 1.38 | 5.75 | 8 | 1.00 | 7.88 | 6.19 | 12.00 | 29.51 |
| 5 | 5.00 | 11.00 | 1.50 | 7.00 | 8 | 1.00 | 9.25 | 7.31 | 12.00 | 39.95 |
| 6 | 6.00 | 12.50 | 1.62 | 8.12 | 12 | 1.00 | 10.62 | 8.50 | 12.00 | 49.94 |
| 8 | 8.00 | 15.00 | 1.88 | 10.25 | 12 | 1.12 | 13.00 | 10.63 | 12.00 | 69.91 |
| 10 | 10.00 | 17.50 | 2.12 | 12.62 | 16 | 1.25 | 15.25 | 12.75 | 12.00 | 98.97 |
| 12 | 12.00 | 20.50 | 2.25 | 14.75 | 16 | 1.38 | 17.75 | 15.00 | 12.00 | 129.39 |
| 14 | 14.00 | 23.00 | 2.38 | 16.75 | 20 | 1.38 | 20.25 | 16.25 | 12.00 | 152.54 |
| 16 | 16.00 | 25.50 | 2.50 | 19.00 | 20 | 1.50 | 22.50 | 18.50 | 12.00 | 189.77 |
| 18 | 18.00 | 28.00 | 2.62 | 21.00 | 24 | 1.50 | 24.75 | 21.00 | 12.00 | 218.82 |
| 20 | 20.00 | 30.50 | 2.75 | 23.12 | 24 | 1.62 | 27.00 | 23.00 | 12.00 | 257.87 |
| 24 | 24.00 | 36.00 | 3.0 | 27.62 | 24 | 1.88 | 32.00 | 27.25 | 12.00 | 365.01 |
Klasse 600
| NPS | Bohrung | Od | Thk | Od | NEIN. Von Löchern | Lochgröße | Bolzenkreis | Erhöhte Gesichtsdurchmesser. | LÄNGE | GEWICHT |
| (in) | B (in) | O (in) | Zinn) | Lärm) | (Löcher) | Lärm) | C (in) | R (in) | L (in) | (KILO)- |
| ½ | 0.50 | 3.75 | 0.56 | 1.50 | 4 | 0.62 | 2.62 | 1.38 | 9.00 | 2.27 |
| ¾ | 0.75 | 4.62 | 0.62 | 1.88 | 4 | 0.75 | 3.25 | 1.69 | 9.00 | 3.63 |
| 1 | 1.00 | 4.88 | 0.69 | 2.12 | 4 | 0.75 | 3.50 | 2.00 | 9.00 | 4.08 |
| 1 ¼ | 1.25 | 5.25 | 0.81 | 2.50 | 4 | 0.75 | 3.88 | 2.50 | 9.00 | 5.09 |
| 1 ½ | 1.50 | 6.12 | 0.88 | 2.75 | 4 | 0.88 | 4.50 | 2.88 | 9.00 | 7.26 |
| 2 | 2.00 | 6.50 | 1.00 | 3.31 | 8 | 0.75 | 5.00 | 3.63 | 9.00 | 9.08 |
| 2 ½ | 2.50 | 7.50 | 1.12 | 3.94 | 8 | 0.88 | 5.88 | 4.13 | 9.00 | 12.25 |
| 3 | 3.00 | 8.25 | 1.25 | 4.62 | 8 | 0.88 | 6.62 | 5.00 | 9.00 | 16.34 |
| 4 | 4.00 | 10.75 | 1.50 | 6.00 | 8 | 1.00 | 8.50 | 6.19 | 12.00 | 34.95 |
| 5 | 5.00 | 13.00 | 1.75 | 7.50 | 8 | 1.12 | 10.50 | 7.31 | 12.00 | 55.84 |
| 6 | 6.00 | 14.00 | 1.88 | 8.75 | 12 | 0.88 | 11.50 | 9.50 | 12.00 | 69.08 |
| 8 | 8.00 | 16.50 | 2.19 | 10.75 | 12 | 1.25 | 13.75 | 10.63 | 12.00 | 93.97 |
| 10 | 10.00 | 20.00 | 2.50 | 13.50 | 16 | 1.38 | 17.00 | 12.75 | 12.00 | 147.09 |
| 12 | 12.00 | 22.00 | 2.62 | 15.75 | 20 | 1.38 | 19.25 | 15.00 | 12.00 | 178.42 |
| 14 | 14.00 | 23.75 | 2.75 | 17.00 | 20 | 1.50 | 20.75 | 16.25 | 16.00 | 213.83 |
| 16 | 16.00 | 27.00 | 3.00 | 19.50 | 20 | 1.62 | 23.75 | 18.50 | 16.00 | 289.65 |
| 18 | 18.00 | 29.25 | 3.25 | 21.50 | 20 | 1.75 | 25.75 | 21.00 | 16.00 | 331.42 |
| 20 | 20.00 | 32.00 | 3.50 | 24.00 | 24 | 1.75 | 28.50 | 23.00 | 16.00 | 415.86 |
| 24 | 24.00 | 37.00 | 4.00 | 28.25 | 24 | 2.00 | 33.00 | 27.25 | 16.00 | 549.34 |
Klasse 900
| NPS | Bohrung | Od | Thk | Od | NEIN. Von Löchern | Lochgröße | Bolzenkreis | Erhöhte Gesichtsdurchmesser. | LÄNGE | GEWICHT |
| (in) | B (in) | O (in) | Zinn) | Lärm) | (Löcher) | Lärm) | C (in) | R (in) | L (in) | (KILO)- |
| ½ | 0.50 | 4.75 | 0.88 | 1.56 | 4 | 0.88 | 3.25 | 1.38 | 9.00 | 3.63 |
| ¾ | 0.75 | 5.12 | 1.00 | 1.81 | 4 | 0.88 | 3.50 | 1.69 | 9.00 | 4.54 |
| 1 | 1.00 | 5.88 | 1.12 | 2.12 | 4 | 1.00 | 4.00 | 2.00 | 9.00 | 5.09 |
| 1 ¼ | 1.25 | 6.25 | 1.112 | 2.50 | 4 | 1.00 | 4.38 | 2.50 | 9.00 | 7.71 |
| 1 ½ | 1.50 | 7.00 | 1.25 | 2.75 | 4 | 1.12 | 4.88 | 2.88 | 9.00 | 9.53 |
| 2 | 2.00 | 8.50 | 1.50 | 4.12 | 8 | 1.00 | 6.50 | 3.63 | 9.00 | 19.06 |
| 2 ½ | 2.50 | 9.62 | 1.62 | 4.88 | 8 | 1.12 | 7.50 | 4.13 | 9.00 | 23.15 |
| 3 | 3.00 | 9.50 | 1.50 | 5.00 | 8 | 1.00 | 7.50 | 5.00 | 9.00 | 25.42 |
| 4 | 4.00 | 11.50 | 1.75 | 6.25 | 8 | 1.25 | 9.25 | 6.19 | 12.00 | 42.22 |
| 5 | 5.00 | 13.75 | 2.00 | 7.50 | 8 | 1.38 | 11.00 | 7.31 | 12.00 | 61.29 |
| 6 | 6.00 | 15.00 | 2.19 | 9.25 | 12 | 1.25 | 12.50 | 8.50 | 12.00 | 86.71 |
| 8 | 8.00 | 18.50 | 2.50 | 11.75 | 12 | 1.50 | 15.50 | 10.63 | 12.00 | 134.83 |
| 10 | 10.00 | 21.50 | 2.75 | 14.50 | 16 | 1.50 | 18.50 | 12.75 | 12.00 | 191.58 |
| 12 | 12.00 | 24.00 | 3.12 | 16.50 | 20 | 1.50 | 21.00 | 15.00 | 12.00 | 235.17 |
| 14 | 14.00 | 25.25 | 3.38 | 17.75 | 20 | 1.62 | 22.00 | 16.25 | 16.00 | 283.29 |
| 16 | 16.00 | 27.75 | 3.50 | 20.00 | 20 | 1.75 | 24.25 | 18.50 | 16.00 | 340.50 |
| 18 | 18.00 | 31.00 | 4.00 | 22.25 | 20 | 2.00 | 27.00 | 21.00 | 16.00 | 413.30 |
| 20 | 20.00 | 33.75 | 4.25 | 24.50 | 20 | 2.12 | 29.50 | 23.00 | 16.00 | 508.93 |
| 24 | 24.00 | 41.00 | 5.50 | 29.50 | 20 | 2.621 | 35.50 | 27.25 | 16.00 | 846.71 |
Klasse 1500
| NPS | Bohrung | Od | Thk | Od | NEIN. Von Löchern | Lochgröße | Bolzenkreis | Erhöhte Gesichtsdurchmesser. | LÄNGE | GEWICHT |
| (in) | B (in) | O (in) | Zinn) | Lärm) | (Löcher) | Lärm) | C (in) | R (in) | L (in) | (KILO)- |
| ½ | 0.50 | 4.75 | 0.88 | 1.56 | 4 | 0.88 | 3.25 | 1.38 | 9.00 | 3.63 |
| ¾ | 0.75 | 5.12 | 1.00 | 1.81 | 4 | 0.88 | 3.50 | 1.69 | 9.00 | 4.54 |
| 1 | 1.00 | 5.88 | 1.12 | 2.12 | 4 | 1.00 | 4.00 | 2.00 | 9.00 | 5.09 |
| 1 ¼ | 1.25 | 6.25 | 1.12 | 2.50 | 4 | 1.00 | 4.38 | 2.50 | 9.00 | 7.71 |
| 1 ½ | 1.50 | 7.00 | 1.25 | 2.75 | 4 | 1.12 | 4.88 | 2.88 | 9.00 | 9.53 |
| 2 | 2.00 | 9.50 | 1.50 | 4.12 | 8 | 1.00 | 6.50 | 3.63 | 9.00 | 19.06 |
| 2 ½ | 2.50 | 9.62 | 1.62 | 4.88 | 8 | 1.12 | 7.50 | 4.13 | 9.00 | 25.42 |
| 3 | 3.00 | 10.50 | 1.88 | 5.25 | 8 | 1.25 | 8.00 | 5.00 | 9.00 | 30.41 |
| 4 | 4.00 | 12.25 | 2.12 | 6.38 | 8 | 1.38 | 9.50 | 6.19 | 12.00 | 49.94 |
| 5 | 5.00 | 14.75 | 2.88 | 7.75 | 8 | 1.62 | 11.50 | 7.31 | 12.00 | 82.17 |
| 6 | 6.00 | 15.50 | 3.25 | 9.00 | 12 | 1.50 | 12.50 | 8.50 | 12.00 | 97.61 |
| 8 | 8.00 | 19.00 | 3.62 | 11.50 | 12 | 1.75 | 15.50 | 10.63 | 12.00 | 152.99 |
| 10 | 10.00 | 23.00 | 4.25 | 14.50 | 12 | 2.00 | 19.00 | 12.75 | 12.00 | 247.88 |
| 12 | 12.00 | 26.50 | 4.88 | 17.75 | 16 | 2.12 | 22.50 | 15.00 | 12.00 | 429.48 |
| 14 | 14.00 | 29.50 | 5.25 | 19.50 | 16 | 2.38 | 25.00 | 16.25 | 16.00 | 506.66 |
| 16 | 16.00 | 32.50 | 5.75 | 21.75 | 16 | 2.62 | 27.75 | 18.50 | 16.00 | 622.43 |
| 18 | 18.00 | 36.00 | 6.38 | 23.50 | 16 | 2.88 | 30.50 | 21.00 | 16.00 | 759.99 |
| 20 | 20.00 | 38.75 | 7.00 | 25.25 | 16 | 3.12 | 32.75 | 23.00 | 16.00 | 882.12 |
| 24 | 24.00 | 46.00 | 8.00 | 30.00 | 16 | 3.62 | 39.00 | 27.25 | 16.00 | 1332.94 |
Klasse 2500
| NPS | Bohrung | Od | Thk | Od | NEIN. Von Löchern | Lochgröße | Bolzenkreis | Erhöhte Gesichtsdurchmesser. | LÄNGE | GEWICHT |
| (in) | B (in) | O (in) | Zinn) | Lärm) | (Löcher) | Lärm) | C (in) | R (in) | L (in) | (KILO)- |
| ½ | 0.50 | 5.25 | 1.19 | 1.81 | 4 | 0.88 | 3.50 | 1.38 | 9.00 | 4.99 |
| ¾ | 0.75 | 5.50 | 1.25 | 2.06 | 4 | 0.88 | 3.75 | 1.69 | 9.00 | 5.90 |
| 1 | 1.00 | 6.25 | 1.38 | 2.25 | 4 | 1.00 | 4.25 | 2.00 | 9.00 | 8.17 |
| 1 ¼ | 1.25 | 7.25 | 1.50 | 2.88 | 4 | 1.12 | 5.12 | 2.50 | 9.00 | 12.25 |
| 1 ½ | 1.50 | 8.00 | 1.75 | 3.12 | 4 | 1.25 | 5.75 | 2.88 | 9.00 | 14.98 |
| 2 | 2.00 | 9.25 | 2.00 | 3.75 | 8 | 1.12 | 6.75 | 3.63 | 9.00 | 21.72 |
| 2 ½ | 2.50 | 10.50 | 2.25 | 4.50 | 8 | 1.25 | 7.75 | 4.13 | 9.00 | 29.96 |
| 3 | 3.00 | 12.00 | 2.62 | 5.25 | 8 | 1.38 | 9.00 | 5.00 | 9.00 | 44.03 |
| 4 | 4.00 | 14.00 | 3.00 | 6.50 | 8 | 1.62 | 10.75 | 6.19 | 12.00 | 72.18 |
| 5 | 5.00 | 16.50 | 3.62 | 8.00 | 8 | 1.88 | 12.75 | 7.31 | 12.00 | 112.59 |
| 6 | 6.00 | 19.00 | 4.25 | 9.25 | 8 | 2.12 | 14.50 | 8.50 | 12.00 | 162.53 |
| 8 | 8.00 | 21.75 | 5.00 | 12.00 | 12 | 2.12 | 17.25 | 10.63 | 16.00 | 267.40 |
| 10 | 10.00 | 26.50 | 6.50 | 14.75 | 12 | 2.62 | 21.25 | 12.75 | 16.00 | 452.63 |
| 12 | 12.00 | 30.00 | 7.25 | 17.38 | 12 | 2.88 | 24.38 | 15.00 | 16.00 | 618.80 |
2007 gegründet und in die Longyou Economic Development Zone in der Provinz Zhejiang im Jahr 2022 gezogen. Es umfasst eine Fläche von 130.000 Quadratmetern, mehr als 30 Produktionslinien, 300 Arbeitern, 20 FuE -Menschen, 30 Inspektionsbevölkerung und eine jährliche Leistung von 50.000 Tonnen.
Es hat ISO9001: 2008 Quality Management System, PED 97/33/EC EU Druckausrüstung -Richtlinie, China Special Equipment Manufacturing Lizenz (Druckrohr) TS -Zertifizierung, ASME -Zertifizierung, Provincial Enterprise Standardization Management System, ISO14000: 2004 -Umweltmanagementsystem, Cleaner Production (Green Enterprise) und Abrating, ABS -Zertifikat, ABS -Zertifikat, ABS -Zertifikat, ABS -Zertifikat, ABS -Zertifikat, ABS -Zertifikat, ABS -Zertifikat, ABS -Zertifikat, ABS -Zertifikat, ABS -Zertifikat, ABS -Zertifikat, ABS -Zertifizierungsstellen, bestanden. (LR), Deutsche Veritas (GL), Bureau Veritas Society (BV), Det Norske Veritas (DNV) und koreanisches Register für Versand (KR) Fabrikzertifizierung.
Zu den Hauptprodukten gehören rostfreie Stahlrohre, Rohrverschlüsse, Flansche, Ventile usw., die in Erdöl, chemischen Industrie, Kernindustrie, Schmelzen, Schiffbau, Pharmazeutika, Lebensmittel, Wasserschutz, elektrischer Strom, neuer Energie, mechanischer Geräte und anderen Feldern häufig eingesetzt werden. Das Unternehmen hält sich an den Unternehmensgrund für "Qualität für das Überleben, den Ruf für die Entwicklung" und dient jedem Kunden von ganzem Herzen, eine Win-Win-Situation zu schaffen.





Massendichte von Baustahl: Grundlagen und praktische Bedeutung Die Massendichte von Weichstahl ist eine grundlegende Eigenschaft, die sich direkt darauf auswirkt, wie Ingenieure und Designer Kom...
Mehr anzeigenEinführung in niedriglegierte Stahlmaterialien Bei niedriglegiertem Stahl handelt es sich um eine Stahlsorte, die zusätzlich zu Kohlenstoff einen geringen Anteil an Legierungselementen enthält, ...
Mehr anzeigenÜbersicht – was „Gewicht pro Kubikzoll“ für Edelstahl bedeutet „Gewicht pro Kubikzoll“ ist einfach die Masse (in Pfund) eines Kubikzolls Material. Bei rostfreiem Stahl hängt dies von der Legieru...
Mehr anzeigenWir werden Ihre E -Mail -Adresse niemals und Sie teilen und Sie
Kann sich jederzeit abmelden, versprechen wir.